Стальные опоры для воздушных линий электропередачи
Стальные опоры для воздушных линий электропередачи
Завод металлоконструкций ООО «СПЕЦСТРОЙ-КБ», предлагает широкий спектр стальных опор для воздушных линий электропередач, предназначенных для обеспечения надежной и долговечной эксплуатации энергетической инфраструктуры. Мы производим опоры, отвечающие требованиям ГОСТ, СТО и техническим условиям заказчика, с учетом климатических, ветровых и сейсмических нагрузок региона установки.
Назначение и области применения
Стальные опоры применяются при строительстве и реконструкции воздушных линий электропередач напряжением от 0,4 до 500 кВ. Они используются в магистральных, распределительных и промышленных энергосетях для подвески проводов, грозозащитных тросов, оборудования связи и изоляторов.
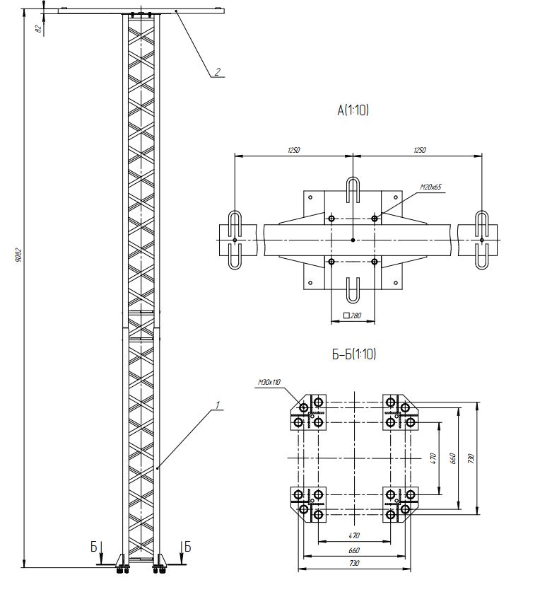
Типы производимых опор
Завод изготавливает следующие типы стальных опор:
- Промежуточные опоры — для поддержания проводов на прямолинейных участках трассы;
- Анкерные (угловые) — для установки на поворотах линии или при изменении высоты трассы;
- Концевые опоры — для закрепления концов линий и подключения к подстанциям;
- Ответвительные опоры — при ответвлении от магистральной линии;
- Унифицированные опоры — конструкции, адаптируемые под различные нагрузки и схемы трассировки.
По конструктивному исполнению опоры могут быть следующих видов:
- Сварные многогранные (граненые);
- Стыкуемые секционные трубчатые;
- Решетчатые (фахверковые);
- Мачтовые с оттяжками.
Преимущества наших стальных опор
- Высокая прочность и устойчивость — расчет конструкций производится с учетом нормативных нагрузок и факторов внешней среды;
- Долговечность — антикоррозионная защита (горячее цинкование, окраска, комбинированные покрытия) обеспечивает срок службы до 50 лет;
- Унификация элементов — позволяет быстро производить замену и сокращает затраты на складские запасы;
- Сертификация и контроль качества — продукция соответствует требованиям действующих стандартов РФ и проходит многоуровневую проверку;
- Гибкость в проектировании — возможна адаптация опор под конкретные проектные условия.
Сопровождение и услуги
- Разработка технического задания и проектных решений;
- Подбор типовых и индивидуальных конструкций;
- Поставка комплектов монтажной документации;
- Логистика и доставка на объект;
- Авторский и технический надзор.
Заключение
Стальные опоры для воздушных линий от нашего предприятия — это надежное и эффективное решение для создания устойчивой и безопасной энергетической инфраструктуры. Мы гарантируем соответствие продукции всем современным требованиям, соблюдение сроков поставки и высокий уровень технической поддержки.

